頻率:8.0-100.0MHz
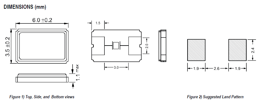
尺寸:6.0*3.5mm

ECS晶振,貼片晶振,ECX-54A晶振,ECS Inc.晶振集團是一家私人控股的全球領先企業,在維護全球日益增長的高可靠性創新頻率控制設備需求方面處于領先地位.一流的研究公司和電子設備設計者,是全球領先的15家開發和生產創新頻率控制解決方案的石英晶體,貼片晶振,石英晶體振蕩器制造商,超過600家.ECS Inc晶振支持勞動力在香港、韓國、韓國、煙臺、中國和美國的生產設施和物流中心超過225家.
石英晶振高精度晶片的拋光技術:貼片晶振是目前晶片研磨技術中表面處理技術的最高技術,最終使晶振晶片表面更光潔,平行度及平面度更好,降低諧振電阻,提高Q值。從而達到一般研磨所達不到的產品性能,使石英晶振的等效電阻等更接近理論值,使晶振可在更低功耗下工作。使用先進的牛頓環及單色光的方法去檢測晶片表面的狀態。
|
ECS Inc晶振規格 |
單位 |
晶振頻率范圍 |
石英晶振基本條件 |
|
標準頻率 |
f_nom |
8.0-100.0MHz |
標準頻率 |
|
儲存溫度 |
T_stg |
-55°C ~ +125°C |
裸存 |
|
工作溫度 |
T_use |
-20°C ~ +70°C |
標準溫度 |
|
激勵功率 |
DL |
100μW Max. |
推薦:1μW ~ 100μW |
|
頻率公差 |
f_— l |
±30 × 10-6 (標準), |
+25°C 對于超出標準的規格說明, |
|
頻率溫度特征 |
f_tem |
±30 × 10-6/-20°C ~ +70°C |
超出標準的規格請聯系我們. |
|
負載電容 |
CL |
20pF |
不同負載要求,請聯系我們. |
|
串聯電阻(ESR) |
R1 |
如下表所示 |
-40°C — +85°C, DL = 100μW |
|
頻率老化 |
f_age |
±5 × 10-6 / year Max. |
+25°C,第一年 |
石英晶振自動安裝和真空化引發的沖擊會破壞產品特性并影響這些產品。請設置安裝條件以盡可能將沖擊降至最低,并確保在安裝前未對晶振特性產生影響。條件改變時,請重新檢查安裝條件。同時,在安裝前后,請確保石英晶振產品未撞擊機器或其他電路板等。
每個封裝類型的注意事項
陶瓷包裝晶振與SON產品
在焊接陶瓷封裝晶振和SON產品 (陶瓷包裝是指晶振外觀采用陶瓷制品) 之后,彎曲電路板會因機械應力而導致焊接部分剝落或封裝分裂(開裂)。尤其在焊接這些產品之后進行電路板切割時,務必確保在應力較小的位置布局晶體并采用應力更小的切割方法。
陶瓷包裝石英晶振
在一個不同擴張系數電路板(環氧玻璃)上焊接陶瓷封裝石英晶振時,在溫度長時間重復變化時可能導致端子焊接部分發生斷裂,請事先檢查焊接特性。
(3)柱面式產品
產品的玻璃部分直接彎曲引腳或用力拉伸引腳會導致在引腳根部發生密封玻璃分裂(開裂),也可能導致氣密性和產品特性受到破壞。當石英晶振的引腳需彎曲成下圖所示形狀時,應在這種場景下留出0.5mm的引腳并將其托住,以免發生分裂。當該引腳需修復時,請勿拉伸,托住彎曲部分進行修正。在該密封部分上施加一定壓力,會導致氣密性受到損壞。所以在此處請不要施加壓力。另外,為避負機器共振造成引腳疲勞切斷,建議用粘著劑將產品固在定電路板上。ECS晶振,貼片晶振,ECX-54A振
ECS Inc國際晶振集團重視污染預防,消除偏離程序的行為強調通過員工努力這一最可行的方法持續改進我們經營活動的環境績效.
ECS Inc國際晶振集團將持續的環境、健康和安全方面的改進、污染預防和員工的努力納入日常運行當中.
加強污染防治,減少現有的污染廢棄物以及在未來晶振,陶瓷諧振器, 壓控振蕩器, 石英水晶振蕩子生產制造中所產生的污染.
ECS Inc國際晶振集團為確保安全、提高保護預防措施、產品的可靠性以及職業安全,確保職業健康與環境的優越性,通過正式的管理評審和對健康、安全和環境實施效果的持續改進,保護人群及財產與環境.
ECS晶振集團以最小化使用危險材料、能源和其它資源為目的進行公司產品及服務的安全生產和使用,并確保回收利用.以防治污染、保存資源的方式進行商務運作,并積極地對以往的環境破壞進行揭露.持續改進,將環境管理與商務運行和決策過程高度集成,規范其行為.不斷進行持續改進的實踐.
ECS Inc國際晶振集團按照IS014001標準的要求,建立環境管理體系,并在環境目標和方案設定之后追求持續的環境改善.
建立和遵守其嚴格的基于活動所在地法律法規的環境、安全和健康標準.將不斷地擴展循環利用、能源和廢棄物管理項目.
ECS Inc國際晶振集團對員工進行環境保護知識培訓,提高其環境意識,建立環境職責,自覺改進、預防對環境的負面影響.ECS晶振,貼片晶振,ECX-54A晶振
深圳市龍湖電子有限公司
服務熱線:86-0755-29952551
手機聯系:136-3294-3514
Q Q聯系:969080538
郵 箱:longhusz@163.com
地 址:深圳市寶安區新安街道安樂社區二街


