頻率:6~40MHz
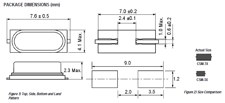
尺寸:7.6×4.1mm

ECS晶振,ECS-250-20-3X-TR晶振,CSM-3X晶振,自1980年ECS Inc.晶振集團成立以來,在國際范圍內進行了近35年的業務,自成立以來已超過30億的頻率控制組件,致力于為世界提供最先進的創新頻率控制技術.ECS公司堅持以創新為中心的企業文化,旨在促進和發展每一個無價值的伙伴關系的創造力,使我們能夠最大限度地滿足不斷變化的全球電子市場的需求.
貼片晶振本身體積小,超薄型石英晶體諧振器,特別適用于有目前高速發展的高端電子數碼產品,因為晶振本身小型化需求的市場領域,小型?薄型是對應陶瓷諧振器(偏差大)和普通的石英晶體諧振器(偏差小)的中間領域的一種性價比較出色的產品.產品廣泛用于筆記本電腦,無線電話,衛星導航HDD, SSD, USB, Blu-ray等用途,符合無鉛焊接的高溫回流焊曲線特性.
|
ECS Inc晶振規格 |
單位 |
CSM-3X晶振頻率范圍 |
石英晶振基本條件 |
|
標準頻率 |
f_nom |
6~40MHZ |
標準頻率 |
|
儲存溫度 |
T_stg |
-40°C ~ +85°C |
裸存 |
|
工作溫度 |
T_use |
-10°C ~ +70°C |
標準溫度 |
|
激勵功率 |
DL |
100μW Max. |
推薦:1μW ~ 100μW |
|
頻率公差 |
f_— l |
±30 × 10-6 (標準), |
+25°C 對于超出標準的規格說明, |
|
頻率溫度特征 |
f_tem |
±30 × 10-6/-20°C ~ +70°C |
超出標準的規格請聯系我們. |
|
負載電容 |
CL |
20pF |
不同負載要求,請聯系我們. |
|
串聯電阻(ESR) |
R1 |
如下表所示 |
-40°C — +85°C, DL = 100μW |
|
頻率老化 |
f_age |
±5 × 10-6 / year Max. |
+25°C,第一年 |
所有產品的共同點
1:抗沖擊
抗沖擊是指晶振產品可能會在某些條件下受到損壞。例如從桌上跌落,摔打,高空拋壓或在貼裝過程中受到沖擊。如果產品已受過沖擊請勿使用。因為無論何種石英晶振,其內部晶片都是石英晶振制作而成的,高空跌落摔打都會給晶振照成不良影響。
2:輻射
將貼片晶振暴露于輻射環境會導致產品性能受到損害,因此應避免陽光長時間的照射。
3:化學制劑 / pH值環境
請勿在PH值范圍可能導致腐蝕或溶解石英晶振或包裝材料的環境下使用或儲藏這些產品。
4:粘合劑
請勿使用可能導致石英晶振所用的封裝材料,終端,組件,玻璃材料以及氣相沉積材料等受到腐蝕的膠粘劑。(比如,氯基膠粘劑可能腐蝕一個晶振的金屬“蓋”,從而破壞密封質量,降低性能。)5:鹵化合物
請勿在鹵素氣體環境下使用晶振。即使少量的鹵素氣體,比如在空氣中的氯氣內或封裝所用金屬部件內,都可能產生腐蝕。同時,請勿使用任何會釋放出鹵素氣體的樹脂。
6:靜電
過高的靜電可能會損壞貼片晶振,請注意抗靜電條件。請為容器和封裝材料選擇導電材料。在處理的時候,請使用電焊槍和無高電壓泄漏的測量電路,并進行接地操作.ECS晶振,ECS-250-20-3X-TR晶振,CSM-3X晶振
ECS Inc國際晶振集團重視污染預防,消除偏離程序的行為強調通過員工努力這一最可行的方法持續改進我們經營活動的環境績效.
ECS Inc國際晶振集團將持續的環境、健康和安全方面的改進、污染預防和員工的努力納入日常運行當中.
加強污染防治,減少現有的污染廢棄物以及在未來晶振,石英晶振, 壓控振蕩器, 石英水晶振蕩子生產制造中所產生的污染.
ECS Inc國際晶振集團為確保安全、提高保護預防措施、產品的可靠性以及職業安全,確保職業健康與環境的優越性,通過正式的管理評審和對健康、安全和環境實施效果的持續改進,保護人群及財產與環境.
ECS晶振集團以最小化使用危險材料、能源和其它資源為目的進行公司產品及服務的安全生產和使用,并確保回收利用.以防治污染、保存資源的方式進行商務運作,并積極地對以往的環境破壞進行揭露.持續改進,將環境管理與商務運行和決策過程高度集成,規范其行為.不斷進行持續改進的實踐.
ECS Inc國際晶振集團按照IS014001標準的要求,建立環境管理體系,并在環境目標和方案設定之后追求持續的環境改善.
建立和遵守其嚴格的基于活動所在地法律法規的環境、安全和健康標準.將不斷地擴展循環利用、能源和廢棄物管理項目.
ECS Inc國際晶振集團對員工進行環境保護知識培訓,提高其環境意識,建立環境職責,自覺改進、預防對環境的負面影響.ECS晶振,ECS-250-20-3X-TR晶振,CSM-3X晶振
深圳市龍湖電子有限公司
服務熱線:86-0755-29952551
手機聯系:136-3294-3514
Q Q聯系:969080538
郵 箱:longhusz@163.com
地 址:深圳市寶安區新安街道安樂社區二街

LFXTAL053866REEL,48MHz,IQD進口晶振,CFPX-180,環保晶振,高頻晶振,數碼產品晶振,計時產品晶振,mp4晶振,出色的抗撞擊性使得它在常規的衰落或運輸過程中的碰撞都不會影響到其性能,-40到85度的運行溫度,高精度高穩定高性能高品質,


LFXTAL061486REEL,CFPX-104,伊克德電子,抗撞擊晶振,高端電子產品晶振,30ppm晶振,石英晶體諧振器,mp3晶振,游戲機晶振,電視芯片晶振,智能家居晶振,晶振諧振器,計算機晶振,
質量和客戶是IQD伊克德集團成功的基石,我們的目標是始終如一的滿足客戶的期望,我們不斷的投資以確保我們的石英晶體晶振客戶在我們的業務中達到最高的標準,