頻率:10.0 ~52.0MHZ
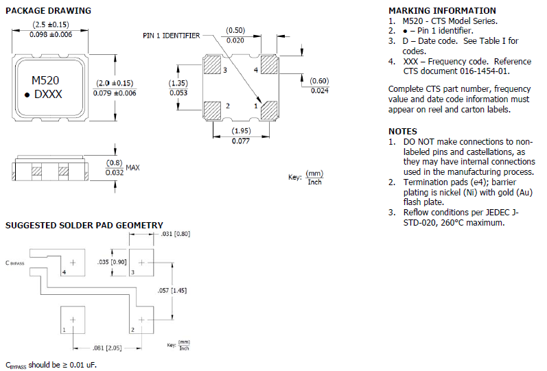
尺寸:2.5*2.0mm
CTS晶振,貼片晶振,520晶振.貼片晶振本身體積小,超薄型石英晶體諧振器,特別適用于有目前高速發展的高端電子數碼產品,因為晶振本身小型化需求的市場領域,小型?薄型是對應陶瓷諧振器(偏差大)和普通的石英晶體諧振器(偏差小)的中間領域的一種性價比較出色的產品.產品廣泛用于筆記本電腦,無線電話,衛星導航HDD, SSD, USB, Blu-ray等用途,符合無鉛焊接的高溫回流焊曲線特性.
石英晶振多層、多金屬的濺射鍍膜技術:是目前研發及生產高精度、高穩定性石英晶體元器件——石英晶振必須攻克的關鍵技術之一。石英晶振該選用何鍍材、鍍幾種材料、幾種鍍材的鍍膜順序,鍍膜的工藝方法(如各鍍材的功率設計等)。使用此鍍膜方法使鍍膜后的晶振附著力增強,貼片石英晶振頻率更加集中,能控制在最小ppm之內。
|
CTS晶振規格 |
單位 |
520晶振 |
石英晶振基本條件 |
|
標準頻率 |
f_nom |
10.0~52.0MHZ |
標準頻率 |
|
儲存溫度 |
T_stg |
-40°C~+90°C |
裸存 |
|
工作溫度 |
T_use |
-40°C~+85°C |
標準溫度 |
|
激勵功率 |
DL |
200μW Max. |
推薦:1μW ~200μW |
|
頻率公差 |
f_— l |
±20 × 10-6 (標準) |
+25°C 對于超出標準的規格說明, |
|
頻率溫度特征 |
f_tem |
±20 × 10-6/-40°C~+85°C |
超出標準的規格請聯系我們. |
|
負載電容 |
CL |
8pF~30pF |
不同負載電容要求,請聯系我們. |
|
串聯電阻(ESR) |
R1 |
如下表所示 |
-40°C~+85°C, DL = 100μW |
|
頻率老化 |
f_age |
±3× 10-6 / year Max. |
+25°C,第一年 |
<晶體諧振器>
如果過大的激勵電力對石英水晶振動子外加電壓,有可能導致特性老化或損壞,因此請在宣傳冊、規格書中規定的范圍內使用。
讓無源晶振振蕩的電路寬裕度大致為負性阻抗值。本公司推薦此負性阻抗為諧振器串聯電阻規格值的5倍以上,若是車載和安全設備,則推薦10倍 以上。CTS晶振,貼片晶振,425晶振,425F22A025M0000晶振
<晶體振蕩器>
石英晶體振蕩器的內部電路使用C-MOS。閉鎖、靜電對策請和一般的C-MOS IC一樣考慮。有些石英晶體振蕩器沒有和旁路電容器進行內部連接。使用時,請在Vdd-GND之間用0.01μF左右的高頻特性較好的電容器(陶瓷片狀電容器等)以 最短距離連接。關于個別機型請確認宣傳冊、規格書。
<晶體濾波器>
注意電路板圖形的配置,避免輸入端子和輸出端子靠得太近。如果貼裝晶體濾光片的電路板的雜散電容較大,為了消除該雜散電容,有時需要配置調諧電路。
如果過大的激勵電力對聲表面濾波器外加電壓,有可能導致特性老化或損壞,因此請在濾波器的輸入電平在−10dBm以下的狀態下使用。
<光學產品>
由于制造過程中進行了灰塵等異物管理,因此包裝開封以后,請在進行清潔度管理的環境中使用。CTS晶振,貼片晶振,520晶振
CTS晶振集團在“制造、使用、有效利用、再利用”這樣一個2520貼片型無源晶振產品生命周期中,努力創造豐富的價值,給社會帶來溫馨和安寧,感動和驚喜,同時為減少環境影響,努力做好“防止地球變暖、有效利用資源、對化學物質進行管理”,實現與地球的和諧相處。425F22A025M0000晶振,高精度進口晶體,425晶振
將2520石英晶體生產活動中的環境因素和環境影響的分析納入我們的決策中來,確保活動中每一分子的運作和發展都體現對污染預防方針的貫徹。
CTS晶振集團為確保安全、提高保護預防措施、2520晶振產品的可靠性以及職業安全,確保職業健康與環境的優越性,通過正式的管理評審和對健康、安全和環境實施效果的持續改進,保護人群及財產與環境。
CTS晶振遵守所有適用的有關環境、健康和安全的法律和法規以及CTS晶振集團自己的有關環境、工業衛生和安全的方針和承諾。
與我們的員工一起開創并保持一個免于事故的工作場所。重視污染預防,消除偏離程序的行為強調通過員工努力這一最可行的方法持續改進我們經營活動的環境績效。CTS晶振,貼片晶振,520晶振
深圳市龍湖電子有限公司
服務熱線:86-0755-29952551
手機聯系:136-3294-3514
Q Q聯系:969080538
郵 箱:longhusz@163.com
地 址:深圳市寶安區新安街道安樂社區二街


